所属分类: 供配电监测系统
产品编号:
浏览次数: 214
直流电流变送器用于测量工业现场大电流信号转换成标准过程信号的设备。DIN导轨独立式安装。本产品根据霍尔原理设计而成,内部采用高精度硅钢磁环和霍尔元件将来自于现场的大电流型号转换成标准的RS485输出。输入、输出、电源之间相互隔离,具有高精度、高线性度低温漂等特点。
技术特点
✔ 重量轻、安装简便;✔ 抗干扰能力强。
产品参数
|
产品型号 |
AZX-PD-DC01L |
|
工作温度 |
-20~55℃ |
|
安装方式 |
DIN标准导轨 |
|
原边测量范围 |
0~1000A |
|
额定输出 |
RS485 |
|
线性度 |
0.5% |
|
精度 |
0.5% |
|
隔离耐压 |
2.5kV/50Hz,1min |
|
零点输出 |
≤0.15mA |
|
温度漂移 |
≤500ppm/℃ |
|
频带宽度 |
50~400Hz |
|
DI/DT跟随 |
>50A/μS |
|
消耗电流 |
≤25mA |
|
失调电压 |
≤20mV |
|
响应时间 |
<200ms |
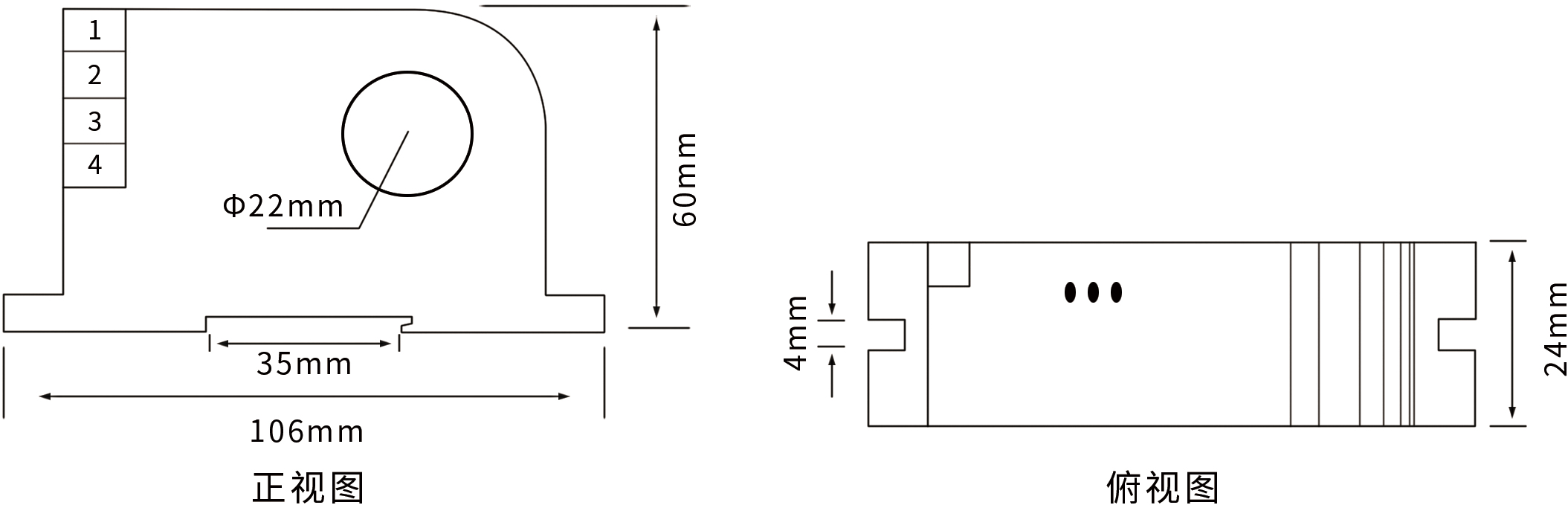
外形尺寸
尺寸大小:106*60*24mm

